By Mike Grage, Technical and Customer Support at The Bonneville Shop and British Iron.
Table of Contents
LED Troubleshooting – We didn’t have LEDs when I started professionally wrenching on motorcycles over 30 years ago, but I most certainly wish we did due to the low power requirements. Done right LED lighting can make riding a battery less bike at night much safer. People of all skill and knowledge levels tend to have difficulty making LED turn signal lights work on their motorcycles, this is usually due to an incandescent turn signal indicator light bulb. If you’ve had trouble making your 446 LED to work with a high/main beam warning light, keep reading and I’ll explain how to overcome this problem too.
Power Flow
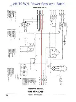
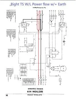
When it comes to turn signal warning lights manufacturers like to take advantage of the fact that incandescent/traditional bulbs have no polarity. Below are two illustrations outlining the power flow of the turn signals and the indicator light on a positive ground Triumph motorcycle.


(The diagrams are upside down for a reason, looking at them like that when diagnosing lights keeps left/right and fore/aft in their proper positions. I turn them another way for charging and ignition diagnostics)
“The two main problems encountered after installing LED turn signal bulbs are a severe voltage drop and/or all 4 signals flashing at the same time.”
Potential Problems with LED Troubleshooting
The two main problems encountered after installing LED turn signal bulbs are a severe voltage drop and/or all 4 signals flashing at the same time. Since an incandescent indicator light bulb is simply a coil of wire in a glass bowl it is the path of least resistance to ground for all voltage not used by the LED lights and it allows back feeding of electricity. This causes a voltage drop and/or creates an out of control turn signal circuit.
Since a diode allows electricity to flow one way the most effective way to cure this current leak is with a pair of diodes. Connecting each turn signal wire to a diode, then wiring both diodes to one side of the indicator light and running an earth/ground wire to the other side will solve this problem. The diodes isolate the left circuit from the right keeping all electricity supplied to the indicator out of the opposing side.

(Triangle points to diode’s direction of flow)

(Triangle points to diode’s direction of flow)
One thing to note here is that most motorcycles that came from the factory with LED turn signals have a similar diode arrangement is in the wiring harness, just like in the Hinckley made liquid cooled Bonneville.
LED Troubleshooting: Using LEDs with Traditional High Beam Indicator Lights
The 446 LED head lamp bulbs have a similar problem in bikes with a main or high beam indicator light. Since the incandescent indicator bulb is a coil of wire in a glass bowl that is constantly connected to ground/earth it will allow enough electricity through to power up the LEDs. The only way to stop this back feed is to install a diode or “light emitting diode”, also called a LED because they are both one-way valves for electricity.
Solution 1:
So, when changing to a LED headlight, it is a good idea to change to a LED high beam warning light bulb too. The BA7S LED we offer here at The Bonneville Shop are negative ground. To use them with positive ground you will need to swap the blue/white and red wires coming from the warning bulb socket to the harness.
Solution 2:
The second solution is to leave the bulb out of the high beam warning light.
Solution 3:
A third solution is to use a single diode to prevent this back feeding. On a positive ground/earth system the Lucas 83225A/Triumph 60-7082 can be attached to the high beam warning light’s ground/earth spade connector, then the ground/earth wire attaches to the diode’s male spade connector.
